TekScope PC 분석 소프트웨어
ㆍ데이터시트 다운로드
TekScope PC 분석 소프트웨어
수상 이력이 있는 오실로스코프의 분석 기능을 PC에서 사용하세요.
언제 어디서나 파형을 분석하세요.
TekScope® PC는 오실로스코프에 원격으로 연결된 상태에서도 파형 분석, 다양한 측정 수행, 주요 시리얼 버스 디코딩까지 모두 가능하게 해줍니다.
고급 라이선스 옵션을 사용하면 다중 스코프 분석, 더 많은 시리얼 버스 디코딩 옵션, 지터 분석, 전력 측정과 같은 기능을 추가할 수 있습니다.




원격 오실로스코프에 대한 쉬운 액세스


TekScope PC_I_00.png


TekScope PC 소프트웨어를 사용해 텍트로닉스 오실로스코프를 원격 제어하십시오. TEKSCOPE-STARTER 라이선스 옵션으로 다음을 할 수 있습니다.

 파형을 보고 다양한 유형의 측정, 연산 및 플롯 실행.
 최신 텍트로닉스 오실로스코프 모델을 사용하여 실시간으로 기본 장비 제어, 파형 전송 및 분석 수행. 전체 목록은 데이터 시트를 참조하십시오.
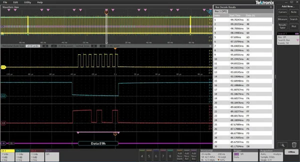
 I2C, SPI, RS-232/422/485/UART와 같은 가장 일반적인 시리얼 프로토콜 디코딩.




동료 및 고객과 데이터 공유




TekScope PC_I_01.png


정적인 스크린샷의 모음 대신에 전체 데이터 집합을 보내십시오.
동료 엔지니어들이 오실로스코프 바로 앞에 있는 것처럼 파형을 변경하고 측정할 수 있게 됩니다.





여러 스코프에서 파형 동기화



TekScope PC_I_02.png

네 대의 스코프를 한 대의 가상 장비로 전환하십시오.
단일 컨트롤 세트를 사용하여 같은 화면에서 여러 스코프의 데이터를 보고 분석하십시오.

 채널 재정렬
 그룹 채널
 팬 및 줌
 커서 또는 자동 측정 추가





스코프가 장비를 갖추지 못한 상태에서도 고급 분석 실행



TekScope PC_I_03.png


버스 디코딩, 스펙트럼 분석 및 지터 분석과 같은 고급 기능으로 스코프에서 실행 가능한 분석을 향상하십시오.

 4/5/6 시리즈 MSO와 동일한 직관적인 사용자 인터페이스
 대부분의 파형 파일 지원(.wfm, .isf, .csv, .h5, .tr0, .trc, 및 .bin)
 유연한 라이선싱을 통해 필요한 옵션을 필요한 때에 추가할 수 있습니다.

7 DPO_I_03.png